最危险的毒株
在华盛顿近郊突然爆发的埃博拉毒株依然藏匿于热带雨林的某处,继续繁衍循环。一种病毒想要维持其存在,就必须永远繁衍循环。陆军研究所确认猴舍大楼已被核平后,将它交还给黑泽尔顿研究制品公司。黑泽尔顿继续从菲律宾购买猴子,依然是马尼拉附近的那家养殖场,重新囤积捕自棉兰老岛雨林的食蟹猴。过了不到一个月,1月中旬,C室的几只猴子流着鼻血死去。丹·达尔加德打电话给彼得·耶林说:“看起来我们又被感染了。”
这种病毒是埃博拉,来自菲律宾。由于上次爆发没有造成人员伤亡,因此陆军、疾控中心和黑泽尔顿公司共同决定,这次的处置方式是隔离猴子,听凭病毒蔓延,让猴群自生自灭。丹·达尔加德希望能挽救其中一部分猴子,但公司不想再看见身穿密封防护服的大兵了。
在猴舍大楼里发生的事情类似于一场实验。科学家可以观察埃博拉如何在密闭空间内(就像一个城市)的猴群中自然传播。雷斯顿埃博拉病毒迅速从一个房间传到另一个房间,它一方面在猴群内生根发芽,另一方面似乎自发变异成了很像流感的某种新东西。但这是埃博拉流感。猴子死亡时,鼻孔内流出大量清鼻涕和绿色黏液,混合着无法凝结的血液。它们的肺部遭到摧毁和侵蚀,充满了埃博拉病毒。它们的肺部受到感染。一个房间里只要有一只猴子流鼻血,通常这个房间里百分之八十的猴子很快就会死去。这种病毒在猴类内部的感染性极强。研究所的科学家怀疑他们观察到了埃博拉的某个突变毒株,与仅仅一个月前,也就是12月陆军核平猴舍时见到的毒株不尽相同。这种情况非常可怕,埃博拉病毒似乎能快速改变特征,呈现出流感的症状。截然不同的一种毒株能在一个月内出现。这种疾病的临床表现让人感觉埃博拉很像人类儿童群落内常见的某些类流感疾病。它似乎能迅速适应新的宿主,进入新群落时能迅速地自发改变其特征。
埃博拉看起来是通过大楼的通风管道传播的。1月24日,它杀进B室,B室的猴子开始休克,死时流着鼻涕,眼睛通红,面无表情。接下来几周内,感染侵袭了I、F、E和D室,这些房间的猴子几乎全灭。2月中旬,黑泽尔顿的一名动物管理员——我们姑且称他为约翰·克里耶斯吧——在解剖一只死猴时被手术刀割伤了大拇指。当时他正在切开肝脏,那是埃博拉病毒最喜欢的巢穴之一。沾着肝细胞和血液的刀刃深深切入他的大拇指。他严重暴露在埃博拉病毒之下。
他正在解剖的肝脏被立刻送往研究所进行检验。汤姆·盖斯伯特用显微镜看了一个切片,惊恐地发现它“危险得难以想象,细胞壁之间充满了病毒”。研究所的所有人都认为约翰·克里耶斯难逃一死。彼得·耶林告诉我:“我们这儿确定这家伙死定了。”疾控中心决定不隔离他,因此在病毒的潜伏期,克里耶斯依然可以去酒吧和朋友们畅饮啤酒。
“但是在研究所看来,”彼得·耶林说,“这家伙去酒吧喝酒吓得我们够呛。疾控中心显然不该允许这种事发生。这种病毒很凶险,局势也很凶险。我们还很不了解这种病毒。它可能像普通感冒,在出现症状前会有一段潜伏期,患者在此期间会传播病毒,等你知道自己得病的时候,说不定已经感染了十六个人。我们对这种病毒懂得实在太少,甚至不知道它来自何方,也不知道它下次会以什么形式出现。”
约翰·克里耶斯有点小病,需要手术治疗。医生在他暴露于埃博拉病毒后的潜伏期内给他做了手术。记录中没有显示他在手术中出血过多。他恢复得很好,现在也还活着,暴露没有让他染病。
至于猴舍,整幢楼都死绝了。陆军不需要再核平它,因为雷斯顿埃博拉病毒已经核平了它。这一次仍旧没有人员伤亡,但发生了一件怪异甚至有可能险恶的事情。猴舍共有四名动物管理员:心脏病发作的贾维斯·普蒂、在草坪上呕吐的米尔顿·弗兰蒂格、割破大拇指的约翰·克里耶斯和另外第四个人。他们的雷斯顿埃博拉病毒检验均呈阳性,这种病原体感染了他们所有人。病毒进入了他们的循环系统,在细胞内繁殖。埃博拉在他们体内增殖,在他们体内循环,在这几名猴舍管理员体内持续存活,但哪怕是在繁殖期间,也没有让他们患病。他们想不起曾经有过头疼和不舒服的时刻。最后,病毒自然而然地从他们体内消失,血液里再也找不到它的踪影,直到本书写作期间,他们也没有病发。已知感染埃博拉病毒的人类很少有活下来的,但其中就有他们几个。约翰·克里耶斯被沾血的手术刀割破手指,无疑因此感染了病毒。令人不安的是另外三个人并没有割伤自己,病毒却还是进入了他们的循环系统。病毒不知怎么进去了。最大的可能性是它通过肺部接触进入了他们的血液,也就是空气传播。陆军研究人员确定这另外三个人不是通过割伤感染病毒之后,研究所一致认为埃博拉是能够通过空气传播的。
菲利普·拉塞尔博士,也就是决定派遣军队消灭病毒的将军,他最近告诉我,尽管当时他被埃博拉“吓得半死”,但只在得知这种病毒是通过空气在猴群内传播之后,他才真正明白那一次有可能酿成什么灾难。“回想起来我更是怕得要死,”他说,“看见那些猴子通过呼吸系统染病的证据时,我对自己说:天哪,要是出现某些小小的变化,这种病毒就能在人群内通过呼吸系统快速传播。我说的可是黑死病。想象一下,要是存在一种病毒,它拥有流感的传染能力,又具有黑死病在中世纪的致死率——我指的就是这个。”
雷斯顿的工作人员感染了没有症状的埃博拉病毒。它为什么没有杀死他们?直到今天,这个问题依然没有答案。没有症状的埃博拉——他们像是得了一场埃博拉感冒。病毒遗传密码的小小区别,也许使得病毒粒子那七种神秘蛋白质中的某一种起了微小的结构变化,显然彻底改变了它对人类的影响——它能杀死猴子,对人类却危害极小,甚至没有。这个埃博拉毒株知道人类和猴子的区别。然而,假如它朝另一个方向突变了呢……
春季的一天,我前去采访南希·杰克斯上校,想聊一聊她在雷斯顿事件中扮演的角色。我们在她的办公室见面。她身穿陆军的黑色运动衫,佩戴银鹰肩章,她最近被提升为上校军衔。屋角的盒子里有一只幼年鹦鹉在睡觉。鹦鹉醒来,嘎嘎叫喊。
“饿了吗?”她问鹦鹉,“好的,好的,我知道了。”她从袋子里抽出烤肉吸管(turkey baster,烤肉尤其是烤火鸡时用来涂抹酱料的吸管。——译者),吸了一管鹦鹉吃的肉糊。她把吸管一头塞进鹦鹉嘴里,捏了一下吸管另一头的橡皮球,鹦鹉满意地闭上了眼睛。
她朝档案柜挥挥手。“想看埃博拉吗?随便挑。”
“还是你挑给我看吧。”我说。
她从一个档案柜里翻出一把玻片,拿着它们走进另一个房间,房间的桌上摆着显微镜,这台显微镜有两组目镜,允许两个人同时观看。
我坐下,望进目镜——白茫茫,空荡荡。
“好,这个不错。”她说着把一块玻片放到透镜底下。
视野内出现许多细胞。有一些细胞已经破裂和液化。
“这是雄性生殖器官的组织样本,”她说,“受到严重感染。来自1986年吉恩·约翰逊和我做实验时,通过肺部暴露感染扎伊尔埃博拉病毒的一只猴子。”
我看着猴子睾丸的切片,感觉五味杂陈。“你的意思是说,病毒进入猴子的肺部,然后转移到了睾丸?”
“对,让人看了很九九藏书不舒服对吧?”她说,“现在我让你头晕一下。给你看肺部样本。”
场景变幻,眼前的画面犹如朽烂的粉红色比利时蕾丝。
“这是肺部组织的切片。一只通过肺部暴露感染的猴子。看见病毒怎么撑大肺部细胞了吧?这是扎伊尔埃博拉病毒。”
我能看见单个的细胞,其中一些被黑色斑点撑得鼓胀起来。
“咱们放大倍数看看。”
细胞变得更大。黑色斑点变成有棱角的暗色团块。团块正在撑破细胞,向外涌出,就像动物破壳而出。
“这些是又大又结实的病毒砖块。”她说。
它们是正在冲出肺部细胞的埃博拉类晶体。肺部将埃博拉病毒直接送进空气。我不禁毛骨悚然,感觉我这个平民似乎看见了不该让平民看见的东西。
“这些肺部细胞感染性很强,”她淡然道,“看见出芽进入肺泡内的那些病毒砖块了吧?病人一咳嗽,这东西就会随着痰液上升进入喉咙,所以你绝对不能让埃博拉患者对着你的脸咳嗽。”
“我的天,它很熟悉肺部的构造,对吧?”
“谁知道呢。它也许存在于昆虫体内,昆虫可没有肺部。但你看见了埃博拉怎么适应肺部。它从肺部细胞内出芽,直接进入空气。”
“这是一种适应力极强的有机体,对吧?”
“太对了。这鬼东西有它特定的生命循环。会玩‘如果那么’的游戏吧?如果它进入人类的肺部?如果它变异了,那么就会产生问题。一个大问题。”
1990年3月,雷斯顿病毒再次爆发时,疾控中心对猴类进口商制定了严格而详尽的限制规定,加强了化验和隔离检疫的流程。疾控中心暂时吊销了三家公司的许可证,它们是黑泽尔顿研究制品公司、查尔斯河灵长类动物公司和全球灵长类动物公司,指控它们违反了隔离检疫规定。(它们后来又重新取得了许可。)疾控中心的举措在接下来数月间有效阻断了美国的猴类进口。黑泽尔顿公司的损失合计数百万美元——猴子是很值钱的动物。尽管疾控中心惩罚了黑泽尔顿公司,但陆军研究所的科学家(还有疾控中心的一些人)高度赞赏达尔加德和公司将猴类中心移交给军方处理的决定。“对黑泽尔顿公司来说很艰难,但他们做了正确的决定。”彼得·耶林的话总结了专家们的普遍看法。
黑泽尔顿公司从一家商业地产公司手上租用了猴舍大楼。可想而知,在军方行动和第二次埃博拉病毒爆发期间,地产公司和黑泽尔顿的关系实在谈不上融洽。事后,地产公司清空了整幢楼,一直空置至今。
嗅闻过埃博拉病毒的彼得·耶林活了下来,他现在是研究所的首席科学家。他和汤姆·盖斯伯特遵循新病毒命名的传统,根据首次出现地点将其命名为雷斯顿毒株。他们在交谈时会随口称之为雷斯顿埃博拉。一天,耶林在他的办公室向我展示了某种埃博拉病毒的照片。病毒很像煮得尚有嚼头的意大利面条。“你看这个鬼东西。看这个长条混蛋,”耶林用手指勾出一个圈,“这是雷斯顿——天,险些又说成雷斯顿了——不,这是扎伊尔埃博拉病毒。问题在于,凭外表你很难分清这两个毒株。这就回到一个哲学问题上了:这两个毒株如此相似,为什么扎伊尔毒株对人类高度危险,而雷斯顿不危险呢?几乎可以肯定雷斯顿埃博拉病毒能通过空气途径传播。感染病毒的黑泽尔顿员工,我非常确定他们是通过空气感染的。”
“我们是侥幸逃过了一颗子弹?”
“我认为没有,”耶林说,“子弹打中了我们。走运的是,这是点二二小手枪发射的橡皮子弹而不是点四五打出的达姆弹。我就害怕人们说:‘好彩,我们躲过了这颗子弹。’下次在显微镜里看见埃博拉,他们会说:‘哎呀,只是雷斯顿而已,’然后把它带出隔离设施。假如那东西不是雷斯顿,而是它家大姐,那我们就会当头挨上一棒了。”
C·J·彼得斯后来从陆军退役,成为疾病控制中心特殊病原体部的主任。某天回顾雷斯顿事件的时候,他告诉我说他非常确定埃博拉能够通过空气传播。“我们观察到的扩散模式,还有病毒确实扩散到了其他房间的事实,都说明大楼内产生了含有病毒的悬浮颗粒,”他说,“看感染扎伊尔埃博拉病毒的猴类肺部照片,你会看见病毒充满了肺部细胞。见过那些照片吗?”
“见过。南希·杰克斯给我看过。”
“那你就明白了,你能在肺泡内清晰地看见埃博拉粒子。”
“你们有没有试过将雷斯顿埃博拉病毒释放到空气中,看它能不能在猴群中传播?”我问。
“没有,”他斩钉截铁道,“我认为这实在不是个好主意。假如有人发现军方在做实验,想知道埃博拉病毒是否已经突变为能够通过呼吸道传播,我们会被指控是在研究杀伤性生物武器的——企图制造末日病毒。因此我们选择不再继续研究下去。”
“所以你们并不确定埃博拉究竟能不能通过空气传播。”
“对。并不确定。你只能猜测埃博拉病毒能做什么和不能做什么。假如它真的能,那就是你最可怕的噩梦了。”
因此,马尔堡、苏丹埃博拉和扎伊尔埃博拉三姐妹又多了第四个姐妹:雷斯顿埃博拉。疾控中心特殊病原体部的一组研究人员在安东尼·桑切斯和海因茨·菲德尔曼的带领下,已经分析出了所有丝状病毒的基因。他们发现扎伊尔埃博拉和雷斯顿埃博拉相似得难以找到区别。我和安东尼·桑切斯见面时问到这件事,他说:“我管它们叫一对血亲,但实在说不清雷斯顿为什么不让我们生病。就我个人而言,不穿防护服,不遵循最高等级的隔离流程,我就没法安心研究它。”
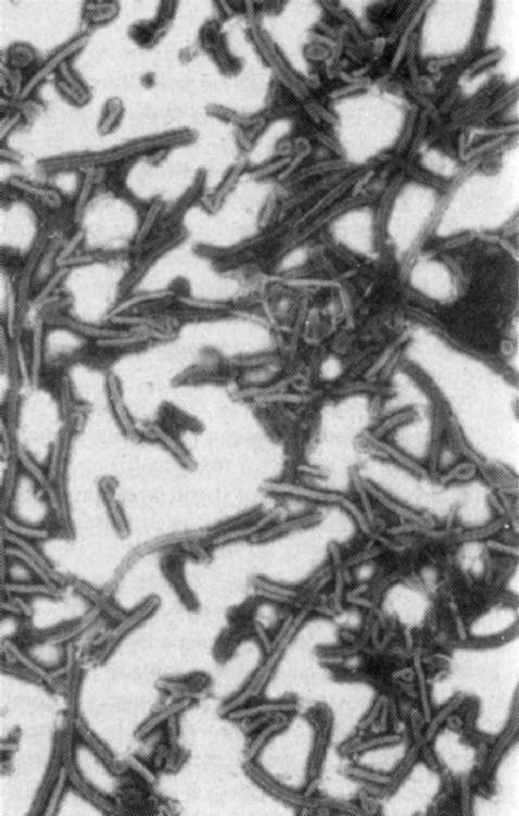
 扎伊尔埃博拉病毒粒子,放大17000倍。请注意一些粒子顶端的圈环,也就是所谓“牧羊人的曲杖”或“有眼螺栓”,这是扎伊尔埃博拉病毒及其姐妹的典型形态。拍摄者:托马斯·W·盖斯伯特,USAMRIID。
扎伊尔埃博拉病毒粒子,放大17000倍。请注意一些粒子顶端的圈环,也就是所谓“牧羊人的曲杖”或“有眼螺栓”,这是扎伊尔埃博拉病毒及其姐妹的典型形态。拍摄者:托马斯·W·盖斯伯特,USAMRIID。
 雷斯顿埃博拉病毒粒子。“问题在于,凭外表你很难分清这两个毒株。”——彼得·耶林。拍摄者:托马斯·W·盖斯伯特,USAMRIID。
雷斯顿埃博拉病毒粒子。“问题在于,凭外表你很难分清这两个毒株。”——彼得·耶林。拍摄者:托马斯·W·盖斯伯特,USAMRIID。
每一种丝状病毒都含有七种蛋白质,其中四种我们还完全不了解。雷斯顿毒株的某个蛋白质有着极其微小的差别,这大概就是它没有熊熊吞没华盛顿的原因。陆军研究所和疾控中心始终没有降低雷斯顿毒株的安全级别,它依然是4级防护的高危微生物,假如你想和它握手,最好还是先穿好防护服。安全专家认为,没有足够证据表明雷斯顿毒株不是一种极其危险的病毒。事实上它反而有可能是丝状病毒姐妹中最危险的一个,因为它似乎很容易就能通过空气传播——至少比其他几种丝状病毒容易。它的遗传密码要是出现小小变化,就有可能通过咳嗽消灭人类。
雷斯顿埃博拉和扎伊尔埃博拉如此相似,但为何雷斯顿似乎来自亚洲呢?假如两个毒株来自两片大陆,那么应该区别巨大才对。一种可能性是雷斯顿毒株也起源于非洲,不久前通过飞机传播到了菲律宾。换句话说,埃博拉已经进入交通网,开始环球旅行。专家们毫不怀疑,一种病毒可以在几天内走遍全球。也许埃博拉病毒终于走出非洲,几年前在亚洲扎根。也许——只是猜测而已——埃博拉藏在非洲野生动物体内来到了亚洲。有传闻说菲律宾的某些富豪在雨林地区拥有私人庄园,他们非法进口非洲动物,在菲律宾丛林放生,然后享受打猎的乐趣。假如埃博拉存在于非洲狩猎动物体内(豹、狮、非洲水牛),就有可能通过这个途径来到亚洲。但这只是猜测而已。和其他丝状病毒一样,雷斯顿埃博拉病毒也有不为人知的藏身之处。不过目前来看,雷斯顿的爆发很可能只始于菲律宾的一只猴子:一只病猴。这只猴子是不为人知的指示病例。一只猴子导致了整件事。这只猴子也许只感染了四五个埃博拉病毒粒子,而这些粒子的来源……天晓得了。